Products
電流センサボード
HCSB-3A-1514R5
製品概要
3レンジ切替可能な3ch電流センサボード
- ・50Arms, 25Arms, 16.7Armsを付属のショートバーで切替可能
- ・4.5Vのアナログ信号を出力
- ・ch毎に任意の閾値でエラー検出が可能
製品仕様
| 入力電流範囲(Iin) | short bar1:50.0Arms short bar2:25.0Arms short bar3:16.7Arms |
short bar1:±150Apk short bar2:±75Apk short bar3:±50Apk |
|---|---|---|
| 出力電圧範囲(Iout) | ±4.5V | |
| 分流比(Iout/Iin) | short bar1:0.03V/A short bar2:0.06V/A short bar3:0.09V/A |
|
| 遮断周波数 | 100kHz | |
| 直線性 | 0.2% | 最大入力電流実効値に対して |
| センサ数 | 3ch | |
| エラーリンク機能ErrInコネクタ | 1ch | VIL_max = 1.35V / VIH_min = 3.15V / II_max = 10mA(信号1つあたり) |
| エラーリンク機能ErrOutコネクタ | 1ch | VOL_max = 0.55V / VOH_min = 3.8V / IO_max = 10mA(信号1つあたり) |
| 制御電源入力 5V | 40mA以下 | 電圧許容範囲±5% |
| 制御電源入力 24V | 160mA以下 | 電圧許容範囲±10% |
| サイズ | 140mm×100mm | |
| 耐電圧性能1次-2次間 | AC3000V | 1分間 |
| 絶縁抵抗1次-2次間 | 10MΩ以上 | DC500V |
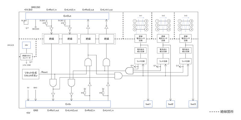
機能ブロック図
